gps_Axiom_Swift_B2
Zebrane
materiały pomocnicze
wątki na forum
poświęcone temu GPSowi
http://aprs.atr.bydgoszcz.pl/forum/viewtopic.php?t=316
http://aprs.atr.bydgoszcz.pl/forum/viewtopic.php?t=319
do pobrania
komplet dokumentacji i oprogramowanie do konfigurowania "Conductor"
Zdjęcia od
SQ6ADE :
jak podłączyć trzy najważniejsze przewody...
prawidłowo podłączony GPS powinien od razu wysyłać "ramki" NMEA

wejście RX A opisane przez SP2SWJ

i aktualizacja o PORT
B od Artura SP3VSS

Zasilanie
dozwolone to 3,15 do 5,5 V
przy zasilani
5V sam GPS pobiera mi około 150 mA
Dla przypomnienia kilka informacji i interfejsie RS232
|
stan logiczny |
RS232 TTL (CMOS) |
RS232C PC |
|
1 |
5V (3V) |
- 8V ( +- 4V) |
|
0 |
0 V |
+ 8V ( +- 4V) |
Oczywiście żeby podłączyć do PC trzeba podłączyć poprzez MAX232 i zapoznać się z dokumentacją
i optymalnie było by zasilać z portu USB przez stabilizator 3,3 V
a RS232 podłączyć normalnie
Opis
złącza w GPS zaktualizowany dzięki
SP1RV/4

Jak prosto podłączyć GPS-a do Tiny Traka
(kolejna pomoc od sq6ade...)

schematy trakerów:
Tiny Trak

(znalezione tu : http://www.icpnet.pl/~sp3uqq/str11.html )
Foa Pack
niesprawdzona koncepcja podłączenia z pominięciem MAX-a

( znalezione tu: http://sq2foa.republika.pl/FOA_Pack.html
)
podobnie można podłaczyć do FHI-TRAKA -
wprost do procka i nie trzeba nawet przecinać ścieżki
W przypadku FHI_TRAKA testowałem
podłączenie z OEM GPS MOTOROLA ONCORE - sprawdzone - działa z 5V modułem GPS
http://www.axeprim.poznan.pl/sp3fhi/fhi-trak/index.html

na koniec kilka fotek w porównaniu do przedmiotu typu ołówek
kliknij żeby zobaczyć foto w pełnym rozmiarze...
to na razie tyle na 29 listopada.....


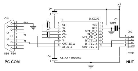
ściąga na temat MAX 232



Kolejna garść
informacji !!!!
VEDY z Wrocławia odpalił GPSa
na kawałku drutu ( antena RANDOWM WIRE -)
a do PC podłaczony za pomocą starego kabelka od komórki
czyli popularnych ostatnio COM-ów na USB które od razu maja wyjście "TTL"
do sprawdzenia czegokolwiek lepsza taka antena niż żadna -)




Odbiornik w pełni się nie zlokalizował bo za krótko był włączony
( nie podaje tryby 2D czy 3D czy dokładności)
strona domowa sp2swj