VNA Vector Network Analyser
Analizator Antenowy wg IW3HEV
Udoskonalenia by SP3SWJ
Wersja płytki VNA3p2
2007-02-14 (c) SP3SWJ
To jest dokument
który będzie uzupełniany w miarę upływu czasu...
Niektóre
tematy na razie tylko sygnalizuję - ale będą rozwijane.
Jeżeli czegoś komuś pilnie brakuję
proszę o maila
lub GG:1037428
Zanim zaczniesz
montować przeczytaj proszę co napisałem
jak masz
wątpliwości- pytaj - ale zanim zapytasz - przeczytaj niniejszy dokument
!!!!!!!!
uwierzcie mi
proszę, że nic tak nie wkurza jak odpowiadanie na sprawy które
opisałem...
jak czegoś ważnego
brakuje - uzupełniam systematycznie...
Szybkie linki do najważniejszych spraw -
2.2 Przeznaczenie
miernika - POMIARY
3.1.2 Kabel
połączeniowy
PC -VNA
3.4.2 wg zalecanej
kolejności montażu
4.2.2 Lutowanie
scalaków SMD o drobnym rastrze
5.1.1 Zanim
podłączymy PCB do PC
5.1.2 Instalowanie
oprogramowania
5.1.4 Pierwsze pomiary
testowe
5.2.1 Korekta
częstotliwości generatora
5.2.2 Korekta
offsetu Return Loss - FILTER
5.2.3 Korekta
offsetu Return Loss - VNA
5.3.2 Kalibracja
wejścia PHASE
5.3.3 Regulacja
uzwojeń sprzęgacza
5.3.4 Kalibracja
wejścia MAGNITUDE
5.3.5 Kalibracja -
podsumowanie
6.1 Kontrola
napięć zasilających
6.2 Kontrola
kabli sygnałowych
6.3 Kontrola
napięć w istotnych punktach
6.5 Testowanie
wzmacniacza LT1252
6.7 Testowanie
detektora AD8302
7.4 VNA
DUAL V 3.0.0 VNA LPT i RS232 --
oraz miniVNA
7.5 Inne
oprogramowanie do VNA
7.6.1 Z-plot - wykresy
kołowe Smitha
8.1 USB
- Interfejs do komputera
10 Szybkie
linki wewnętrzne w dokumencie
http://groups.yahoo.com/group/analyzer_iw3hev/
http://www.miniradiosolutions.com/
Linkownia do
różnych analizatorów antenowych dla radioamatorów
http://www.eham.net/reviews/products/31
Miernik umożliwia pomiary anten i nie tylko -))
..\IW3HEV\VNA3p_montaz\VNA_pomiary.htm
Więcej opisów w przygotowaniu (można także mierzyć kondensatory i cewki )
Tak naprawdę to jest mały kombajn pomiarowy:
Ø
Analizator antenowy
Ø
Miernik kabli antenowych
Ø
Miernik elementów R L C
Ø
Wobuloskop
Ø
Generator sygnałowy
Ø
Sonda wcz
Ø
....
A podłączając do jakiegoś starego RX wyjście wcz VNA zamiast VFO, a wyjście pośredniej do wejścia pomiarowego VNA i włączając tryb FILTER otrzymamy prosty analizator widma.

Celem uzyskania poprawnych odczytów w programie musiał bym dodać w programie parametr częstotliwości „pośredniej”. Jeżeli będa zainteresowani taką opcją to dodam ją w programie.
Analizator posiada trzy złącza:
- DB9 - zasilanie z portu USB i komunikacja z komputerem PC przez złącze Centronics - LPT
- BNC50 - to wyżej na zdjęciu - VNA i wyjście wobuloskopu - tu podłączamy badaną antenę
- BNC50 - to niżej na zdjęciu - wejście wobuloskopu i sondy wcz w trybie generatora

Analizator do pracy wymaga podłączenia do komputera za pomocą portu LPT, istnieje jednak możliwość zastosowania dodatkowych opcji i wykonywania pomiarów z użyciem modułu LCD albo komputera który ma tylko port USB - dodatkowe opcje w przygotowaniu

Przykładowy pomiar anteny.


http://sp3swj.googlepages.com/VNA_LEGO.pdf


zalecany sposób „parowania”
przewodów w przypadku zastosowania przewodu
skrętka komputerowa - mniejsze wzajemnie śmiecenie między
kablami.
od strony DB9
podaję które kabelki dać razem
1
Zasilanie
do USB zasilanie
2 DDS FQUD (enable)
4 pin LPT
3 DDS
CLOCK
3 pin LPT
4 sterowanie
PTT
1 pin LPT
5
DDS
DATA
2 pin LPT
6
ADC Chip Select CS 6 pin LPT
7
ADC data PHASE 13
pin LPT
8
ADC data MAGNITUDE 12 pin LPT
9
ADC
CLOCK
5 pin LPT
obudowa GND
Zdjęcie PCB

Widok PCB od strony elementów - VNA3p2_top_e.pdf
Widok PCB od spodu - VNA3p2_bottom_e.pdf
Widok PCB od strony elementów - opisy elementów - VNA3p2_top_opisy.pdf
Uwaga !!! w uwagach zaznaczone jako TEST MIERNIKIEM oznacza przed tym krokiem wykonanie pomiarów opisanych w poradach montażowych ../IW3HEV/VNA3p_montaz/IW3HEV_VNA_3_porady.htm
Bardzo przydatne porady udziela Darek SP7DPT na swojej stronie WWW : http://www.piwnica.net/sp7dpt/analizator.htm zwłaszcza co gdzie można kupić. Dlatego tych informacji u siebie nie będę już powielał.
Ø Uzwojenia starać się nawinąć ciasno
Ø Przewody skręcać i lutować maksymalnie blisko przy rdzeniu
Ø te dwa czerwone druty idą na wprost

Linki z przykładami nawinięcia:
http://www.sp2swj.sp-qrp.pl/IW3HEV/VNA3p/DC/DC_IW3HEV.htm
http://www.sp2swj.sp-qrp.pl/IW3HEV/VNA3p/DC/Dir_Coupler_Ramsey.pdf
http://www.sp2swj.sp-qrp.pl/IW3HEV/VNA3p/DC/DC_IW3HEV_how_do_2.htm
Porady montażowe są na razie dostępne jedynie do poprzedniej wersji PCB VNA3p.
../IW3HEV/VNA3p_montaz/IW3HEV_VNA_3_porady.htm
Generalnie do czasu zaktualizowania
porad montażowych można posługiwać się powyższym
opisem.
Zanim przystąpimy do
montażu warto na spokojnie popijając herbatkę poczytać ten
opis.
Należy jednak pamiętać o
Ø Kolejność montażu robimy wg zaleceń ze VNA3p2_spis_m.pdf
Ø Generator kwarcowy wygodniej jest lutowac po dławikach - jeżeli nie mamy bardzo cienkiego grotu
Ø gniazdo DB9 wlutowujemy do PCB już bez odginania nóżki i nie robimy pajaka
Ø doszło kilka elementów ( dławiki kondensatorki rezystorki)
Ø inaczej ułożone są gniazda BNC
Ø diodę zenera montujemy za bezpiecznikiem równolegle do zasilania - nie ma jej na schemacie - będzie na zdjęciach
Ø
na
wejściu AD8302 montujemy rezystorki 51 om a
potem na koniec robimy procedurę kalibracji
Ø
kalibracja >>> programowa >>> sprzętowa
Regulację sprzętową (kalibrację) układu zostawiamy sobie na sam koniec - jak już będzie działał poprawnie
Ø Sprawdzić czy na linii zasilającej nie ma zwarcie
Ø podłączyć do zasilacza 5V - pobór prądu powinien być około 90 mA
Ø zainstalować program - opis poniżej
Program jest dla środowiska WINDOWS 98 i XP - (z WINDOWS 2000 podobno są jakieś problemy).
Należy
wykonać poniższe czynności w następującej
kolejności:
1.
Przed zainstalowaniem oprogramowania należy najpierw
zmienić rodzaj punktu dziesiętnego, standardowo w polskim Windows jest przecinek. Bez tej zmiany program nie będzie
działał.
2.
Uruchamiamy START
>> USTAWIENIA >> PANEL STEROWANIA >>>> SYSTEM
3.
Następnie klikamy OPCJE REGIONALNE I JĘZYKOWE

4.
Następnie klikamy DOSTOSUJ i zmieniamy punkt
dziesiętny z przecinka na kropkę

5.
Po ustawieniu symbolu
dziesiętnego
jako KROPKA wszystko
zatwierdzamy

6.
Teraz instalujemy
program -
najpierw w wersji 224 - po to
żeby do systemu WIndows zostały wgrane niezbędne pliki systemowe
- tu jest INSTALKA 224 << kliknij żeby uruchomić instalację
7.
Po zainstalowaniu i
sprawdzamy że program 224
się uruchamia - możemy go
zamknąć - nie używamy go
8.
Możemy już pobrać z najnowszą wersję programu
140 która obsługuje
VNA zarówno w wersji LPT jak
i w wersji USB
9.
Program składa się z dwóch plików które musza być w tym samym katalogu !!!
a.
analyzer1xx.exe - właściwy program
b.
analyz.ini zapis ustawień
konfiguracyjnych
10.
Instalujemy program - czyli klikamy na link do tego INSTALKA 140
albo INSTALKA 300 << kliknij żeby „uruchomić instalację”
11.
Rozpakowujemy program do dowolnego katalogu jaki nam się podoba -
ten program możemy uruchamiać z dowolnego katalogu w którym
się znajduje.
12.
Następnie otwieramy katalog do którego wgraliśmy program.
13. UWAGA !!! Jeżeli używamy innego portu LPT niż
numer 1 to wykonujemy krok 14
14.
W pliku Analyser.INI
należy sprawdzić czy podany jest odpowiedni numer portu LPT. Klikamy
dwa razy na plik Analyser.ini i wpisujemy odpowiedni numer portu LPT.
Domyślnie wpisany jest port
numer 888 dla portu LPT1
[PORTSETTING]
' Port Type
1 = LPT 2=RS232
Port_type=1
LPT_address=888 'printer
port address 1 byte 888
decimal is LPT1 378h
RS_address=1 'serial port address number COM1 is 1
Jeżeli
mamy wersję z komunikacją przez RS232 - trzeba ustawić odpowiednie
numerki
15.
Dopiero teraz jesteśmy gotowi do uruchomienia programu analizatora
- klikamy na plik EXE.

Dopiero jak wiemy że urządzenie nie pobiera za dużego prądu ( <80 mA) w trybie „jałowym”
i program działa możemy przystąpić do następnego kroku.
Uruchomieni mirnika wykonujemy zawsze w następującej kolejności

rozdział do uzupełnienia ...
http://www.sp2swj.sp-qrp.pl/IW3HEV/VNA3p_montaz/VNA_pomiary.htm
http://www.sp2swj.sp-qrp.pl/IW3HEV/VNA3p_montaz/VNA3p_Pomiary_wzorcowe.htm
Program posiada kilka istotnych parametrów ustawianych w pliku INI. Teksty wpisywane po średniku są komentarzami.
Jeżeli miernika używamy tylko do pomiaru anten to możemy pominąć korektę częstotliwości generatora - gdyż wynosi ona najwyżej kilkaset Hz i nie ma znaczenia przy pomiarze anten.
Standardowo dla zegara DDS 30 MHz w pliku INI musi być wpisane 180000000 Hz
DDS_CLOCK=180000000
'DDS clock in Hz
' for 30MHz VNA AD9851
30000000x6=180000000
' for 25MHz VNA AD9851
25000000x6=150000000
Jeżeli już zrobimy obudowę i wygrzejemy nasz miernik - możemy dokonać odpowiedniej korekty częstotliwości generatora
RL_OFFSET_filter=15.5
'set for
OUT----IN connected in FILTER mode
an ZERO readout for RL
Wartość parametru RL_OFFSET_filter trzeba tak skorygować żeby po zapięciu kablem testowym WYJŚCIE i WEJŚCIE miernika dawało odczyt 0dB.
---- porty spięte kablem
---
--- oba porty otwarte ---

RL_OFFSET_vna=0
'set for SHORT
port in VNA and ZERO readout for RL
Jeżeli nasze VNA działa poprawnie i pomiar terminatora 50 om dają pomiar w pobliżu 50 omów , a pomiar terminatora 200 om daje pomiar w pobliżu 200 omów to robimy następujące czynności:
GOTOWE - teraz można przystąpić do kalibracji sprzętowej
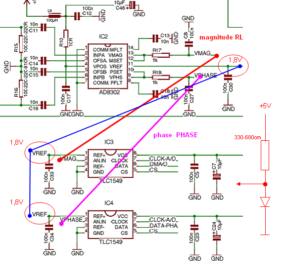
Na wejściu układu AD8302 są dwa rezystory ( około 50 om) i trzeba je dobrać na najlepsze wskazania miernika.

Jeżeli jesteśmy leniwi to ten etap można
całkowicie pominąć i wlutować po prostu dwa rezystorki 50 om na
każde z wejść - miernik będzie mierzył naprawę całkiem dobrze jak na amatorską
konstrukcję, a pomiary anten będą całkiem dobre .
Jeżeli zależy nam na wyciśnięciu maxa z naszego miernika i nasze wzorcowe terminatorki 50om i 200om są „wzorcowe” to zalecana jest jednak regulacja obu wejść pomiarowych układu AD8302. Robimy to w następującej kolejności:
Ostatnie próby, pomiary i
testy zamieszczę jak jeszcze
raz zrobię procedurę kalibracji. Ostatnio wyszły mi
wartości
Ø
R dla PHASE wyszedł
mi 51 + 3300 om (=50,2
oma)
Ø
R dla MAGNITUDE
wyszedł mi 51 + 1000 om (=48,5 oma)
ale niestety zapomniałem
zrobić najpierw procedury programowej :-) ot pośpiech....
Do niedawna stosowałem na wejściu VNA BIG SANDWICH 100+220+220 (=52,3om) i potem robiłem korekcję. Stosując taka kanapkę mamy tą niewątpliwą zaletę że rezystory mają większą obciążalność i lepiej chronią AD8302 przed podaniem zbyt dużej mocy, wada jest to że taki R ma większe pojemności rzędu kilku pF.
Do przeprowadzenia regulacji niezbędne będą co najmniej dwa terminatorki i mały potencjometr montażowy - najlepiej SMD.
Niezbędne wyposażenie:
Ø Terminatorek 0 om - zwarcie
Ø Terminatorek 25 om
Ø
Terminatorek
50 om
Ø Terminatorek 75 om
Ø Terminatorek 100 om
Ø
Terminatorek
200 om
Ø Terminatorek 300 om
Ø potencjometr montażowy (1kom lub 5 kom - wartość zależna od sposobu kalibracji) - a najlepiej dwa PR-ki SMD :-)
Przed przystąpieniem do kalibracji upewniamy się że oba rezystory na wejściu AD8302 maja wartości około 52 omy, a układ działa poprawnie. W sprawnym VNA pomiary są wykonywanie poprawnie - czyli niewiele różnią się wartościami pomiarów.
Na potrzeby przeprowadzenia regulacji dolutowujemy dwa PR-ki równolegle do obu rezystorków na wejściu AD8302.
Na wejściu AD8302 mogą być 51om albo BIG-SANDWICH 100-220-220 - >>> polecam jednak 51 om.
Na port pomiarowy VNA zapinamy terminator wzorcowy 50om i regulując wartością potencjometru równolegle podłączonego do rezystora ustawiamy wskazania PHASE na najbardziej zbliżone do środka ekranu. Żeby pomiar był łatwiejszy można włączyć obydwa markery i ustawiać na jednoczesny pomiar równy Z = 50 om dla obu markerów.
Należy pamiętać że układ jest na tyle czuły że jak wykonamy kilka pomiarów dla kilku terminatorów to będą one różne :-)

W domowych warunkach najlepiej użyć terminatorka wykonanego z dwóch rezystorów SMD 100om 1%.bezpośrednio na wtyczce BNC
Uzwojenia powinny być rozłożone równomiernie i ciasno, tak żeby same się nie przesuwały. Jeżeli nie mamy wkrętaka deramicznego lub innego dielektrycznego to lepiej używać wykałaczki niż metalowym śrubokrętem pociachać izolację/
Niewielkie zmiany w ułożeniu uzwojeń powodują zmiany charakterystyki PHASE. Tak ustawiamy uzwojenia żeby wykres PHASE byłjak najbardziej płaski i w pobliżu środka ekranu - czyli 90 stopni.
Regulację
uzwojeń trzeba robić trochę „na anemika”
ponieważ pomiary są odświeżane na ekranie 2 razy na
sekundę i ważne jest żeby nie przegapić dobrego ustawienia
uzwojeń.
Po ustawieniu uzwojeń można jeszcze raz sprawdzić jakie będzie optymalne ustawienie PR-ka od wejścia PHASE
Po ustawieniu pomiary PHASE ustawiamy pomiar MAGNITUDE. Podłączmy terminator 200 om i regulujemy rezystorkiem MAGNITUDE na uzyskanie najlepszego pomiaru testowanej rezystancji Z=200 om



następnie dokonujemy pomiarów kontrolnych dla terminatorków 100om 25om i 50om
Sprawdzamy następnie następujące kroki jeszcze raz:
Po wykonaniu regulacji należy wymienić potencjometry na rezystorki SMD, pozostawianie potencjometrów jest nie wskazane !!!
Uzwojenie sprzęgacza najlepiej jest zabezpieczyć - klej wosk - co kto uważa że jest najbardziej dielektryczne. Jeżeli uzwojenia mamy nawinięte ciasno - to będą się same trzymały na właściwej pozycji.
tabela z pomiarami
http://sp3swj.googlepages.com/VNA_POMIARY_NAPIEC.pdf
Ø Przedzwonić „piszczkiem” kable od wtyczki DB25 aż na ścieżki PCB
Ø Sprawdzić czy żadna linia nie ma zwarć
tabela z pomiarami
http://sp3swj.googlepages.com/VNA_POMIARY_NAPIEC.pdf
Sprawdzić czy DDS generuje - prosty test:
VNA testowanie ADC

Inna wersja to dajemy diodę świecącą i równolegle do diody montujemy dwa PRki
Ślizgacze PRków podajemy na wejścia układu (nogi 1) TLC1549
i robimy sobie ciekawszy test:
Ø W jednej chwili kręcimy tylko jedny PRkiem i obserwujemy wykres
Ø jak kręcimy to pozioma kreska na podanym poziomie będize się przesuwałą
Ø jeżeli napięcia zmniejszymy do do 0,3 V to
Ø RL przesunie sie na -20
Ø PHASE przesunie się na 150 stopni
UWAGA!! wartości podałem z głowy
z pamięci
tych odczytów - ważne
żeby reagowałt na
zmiant PRków...
tylko jedna kreska w wolnej chwili
jeżeli tak się nie dzieje to komputer nie odczytuje pomiarów z naszego VNA z ukłądów TLC
Jeżeli wszystkie poprzednie testy wypadły pomyślnie możemy wykonać test poniżej

pomiary RL i PHASE powinny zmieniać się w zależności od położenia PR-ków
kopia lokalna INSTALKI w wersji analyzer_INS_106.exe
Link do pobrania programu http://www.miniradiosolutions.com/miniVNA224.zip
Lokalna kopia instalki programu miniVNA224.exe
Na potrzeby przeróbek urządzenia VNA
powstała wersja programu zmodyfikowana przez SP2SWJ i SP7DPT.
Dodano trochę nowych funkcji i naprawiono kilka błędów i niedociągnięć. Nowa wersja potrafi zapisywać pliki CSV niezbędne do sporządzania wykresów kołowych SMITHA za pomocą programu Zplots.
Instalka programu VNA3p_140.exe

Opis instalacji oprogramowania zamieszczony jest w innym rozdziale.
Dodana obsługa miniVNA i VNA w wersji RL40dB
http://sp3swj.googlepages.com/VNA_DUAL_V300c.zip
Instalacja programu jak dla wersji 1.4.0 - opis instalacji oprogramowania
Program kompatybilny jest z wersją VNA do 60 MHz sterowaną przez LPT, nie steruje on przekaźnikiem.

INSTALKA wersja 1.0.45 - DC6JN_1045.exe
PROGRAM wersja 1.0.59 - DC6JN_1059.exe
Zplot jest „aplikacją” napisaną na EXCELA firmy MS.
Pomiary wykonane za pomocą VNA IW3HEV można zapisać jako plik CSV a następnie otworzyć za pomocą programu Zplots napisanego przez AC6LA.
Oficjalna wersja programu zostanie niebawem opublikowana -
trwają testy wersji BETA


Mały dodatek w postaci kabelka do komórki i procesorka Atmega 8 - w trakcie testowania
http://sp3swj.googlepages.com/

Najnowsza wersja obsługiwana jest tylko trzema przyciskami :-)
http://sp3swj.googlepages.com/

Więcej info także na http://www.piwnica.net/sp7dpt/lcdvna.htm
Czyli wszystko w jednym -)
http://sp3swj.googlepages.com/


i jest jeszcze w procesorze miejsca na dodanie kilku funkcji !!!
http://sp3swj.googlepages.com/vna3p2porady
..\IW3HEV\VNA3p_montaz\IW3HEV_VNA_3_montaz.htm
..\IW3HEV\VNA3p_montaz\IW3HEV_VNA_3_porady.htm
http://www.piwnica.net/sp7dpt/analizator.htm
http://www.piwnica.net/sp7dpt/lcdvna.htm
http://www.radio.org.pl/~sp2mkt/vna/pomiary.html
Najnowsze oprogramowanie VNA DUAL V 3.0.0 VNA LPT i RS232 -- oraz miniVNA
Instalowanie oprogramowania Kalibracja programowa Kalibracja sprzętowa
KONIEC STRONY